Модуль адресный управляющий МАКС-У исп.И
Цена: 4550 руб.
1. Занимает 2 адреса.
2. Степень защиты оболочки по ГОСТ 14254-96 - IP41
3. Количество релейных выходов - 1
4. Информативность модуля - 8 ("Норма», "Сообщение 1", "Сообщение 2", "Неисправность реле", "Неисправность управления (Нет питания нагрузки/Обрыв цепи управления)", "Обрыв ШС", "КЗ ШС", "Нет связи".
5. Задержка передачи сообщений (кроме «Нет связи»), не более 1 сек.
6. Контакты реле выдерживают:
-напряжение переменного тока, не более 250В,
-ток в активной нагрузке, при напряжении ≈220В, не более 1А,
-ток в активной нагрузке, при напряжении =24В, не более 5А.
7. Ток контроля цепи управления:
-при напряжении 24В, не более 0,5 мА,
-при напряжении ≈220В, не более 1мА.
8. Работоспособность в температурном диапазоне от -20°С до +70°С и относительной влажности 93% при температуре 40 °С.
9. Габаритные размеры, не более 75х55х33 мм.
10. Масса, не более......... 0,1кг.
11. Средняя наработка на отказ, не менее 60000 часов.
12. Модуль является ремонтопригодным восстанавливаемым изделием. Среднее время восстановления 1 час. Срок службы не менее 10 лет.
Модуль подключают к двухпроводной адресной линии, по которой осуществляется его питание и обмен данными с АПКП. При программировании модулю присваивается два адреса, по которым производится управление общим реле по логике «И».
Модуль адресный управляющий МАКС-У исп.И предназначен для фор-мирования адресных управляющих сигналов пуска и контроля состояния/положения устройств пожарной автоматики, оповещения, видеонаблюдения и проч. при работе в составе системы сиг-нализации «Юнитроник-496М».
| Особенности: |
|
|
| Наименование | Количество адресов |
Количество реле |
Количество контрольных ШС |
|---|---|---|---|
| МАКС-У | 1 | 1 | 2 |
| МАКС-У исп.И | 2 | 1 | 1 |
| МАКС-У исп.ИЛИ | 2 | 1 | 1 |
| МАКС-У исп.2 | 2 | 2 | - |
| МАКС-У исп.4 | 4 | 4 | - |
| МАКС-У4 | 1 | 4 | - |
- 1) 100% предоплата.
- 2) Для юридических лиц: безналичный перевод, по реквизитам указанным в выставленном счете.
- 3) Для физических лиц: оплата наличными возможна при покупке продукции в офисе компании, путем оплаты ее в Сбербанке России.
- 1) Для юридических лиц:
- Самовывоз со склада компании. Для получения заказа представителю организации необходимо иметь: надлежащим образом оформленную доверенность на право получения материальных средств, или печать организации и доверенность на право подписи от лица руководителя организации.
- Доставка продукции возможна транспортными компаниями: Деловые линии, ПЭК или любой удобной Вам. Вы можете самостоятельно заказать любую транспортную или курьерскую службу с забором груза со склада после согласования с Вашим менеджером. - 2) Для физических лиц:
- Самовывоз со склада компании. Для получения заказа необходимо будет предъявить паспорт гражданина Российской Федерации.
- Курьерская доставка по Москве.
- Доставка транспортными компаниями, либо курьерскими службами.
Охранно-пожарные сигнализации и другая продукция компании «ЮНИТЕСТ» получила все требуемые сертификаты. Базовые устройства и вспомогательное оборудование обладают значительным рабочим ресурсом. При выполнении правил эксплуатации такие системы пожарной сигнализации прослужат более 10 лет. Кабели способны сохранять свои параметры в течение 20 лет. Мы даем гарантию на все разновидности продукции:
- 10 лет на охранно-пожарную сигнализацию «Минитроник»;
- 5 лет на пожарные извещатели «Один дома-2»;
- 2 года на адресно-аналоговую систему «Юнитроник» − «Минитроник А32»;
- 2 года на шлейфовое управляющее устройство «УШУ-1».
Гарантийный срок эксплуатации и хранения продукции в упаковке от 2-х до 10-ти лет со дня изготовления.
Гарантийное обслуживание и ремонт производятся ООО Торговый Дом «ЮНИТЕСТ», Россия, 105523, г.Москва, ул. 15-я Парковая, д. 46Б.

Габаритные и установочные размеры МАКС-У исп. И.

Схема подключения нормально-выключенной нагрузки.

Схема подключения нормально-включенной нагрузки или привода типа BLF с кон-тролем наличия напряжения питания нагрузки.

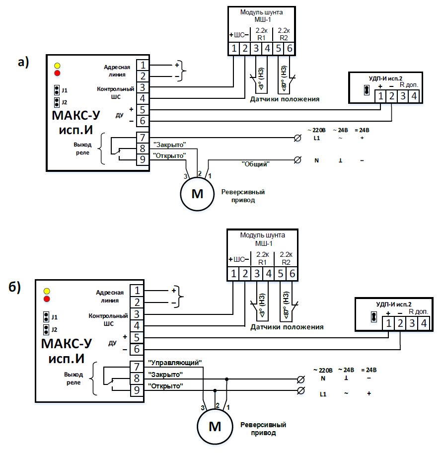
Для подключения датчиков положения привода, рекомендуется использовать модуль шунта МШ-1.

Схема подключения реверсивного привода: а) типа "Belimo" BE оригинального произ-водства; б) приводов других производителей.

Модуль обеспечивает контроль исправности цепи только одной подключенной нагрузки – обрыв цепи второй нагрузки обнаружен не будет.
При этом для эффективного контроля исправности нагрузки и цепи управления рекомендуется устанавливать модуль вблизи нагрузки. При работе с удаленной нагрузкой, короткое замыкание в проводах, питающих нагрузку, обнаружено не будет.


.png)
